애플리케이션교육 학습
  • MCU Board simulator (free)

    MCU Board simulator (free)

    7.7 1.10 2026-01-25
    교육 학습
    다운로드

안드로이드 MCU 프로토 타입 보드 시뮬레이터 (무료)

Android OS 용 MCU 시뮬레이터는 시뮬레이션 된 온 스크린 프로토 타입 보드에서 68705 MCU와 유사한 어셈블리 언어 코드를 실행합니다. 임베디드 애플리케이션 애호가, 학생, 교사 또는 마이크로 컨트롤러 CPU 및 전자 프로토 타입 보드를 실험하는 것을 좋아하는 사람에게 좋습니다. 어셈블리 언어 학습도 재미 있습니다!

및 MCU는 소프트웨어와 하드웨어를 모두 시뮬레이션합니다. 실제 프로토 타입 보드에서와 같이 ASM 코드는 MCU I/O 포트를 구성하여 숫자의 세그먼트를 조명하거나 키패드 또는 딥 스위치의 키 스트로크를 읽는 것과 같은 연결된 하드웨어를 제어해야합니다.

선택한 간단한 내장 텍스트 편집기 또는 Android 텍스트 편집기를 사용하여 어셈블리 코드를 작성한 다음 및 MCU에로드하여 실행할 수 있습니다.

내장 어셈블러에는 단계별 트레이스 모드, 브레이크 포인트, HTML 파일에 메모리 내용을 덤프하고 CPU 속도 조정 및로드 된 코드를 자동으로 운영하는 것과 같은 유용한 지시 사항이 많이 있습니다. 다음 opcodes를 지원합니다 (68705 MCU 명령 세트의 하위 집합) :

NOP, CLC, CLI, SEC, SEI, STOP, SWI, SWI, TEX, TXA, LDA, LDX, STA, STX, ADD, ADC, CLR, CLRA, CLRX, DEC, DECX, INC, Inca, Incx, SUB, SBC, SBC, SBC.

및 CMP, COM, COMA, COMX, CPX, EOR, LSL, LSLA, LSLX, LSR, LSRA, LSRX,

Nega, Nega, Ora, Rol, Rola, Ror, Rora, TST, TSTA, BRA, BSR, BCC, BCS,

BEQ, BNE, BHI, BLO, BLS, JMP, JSR, RTS, RTI, BCLR, BSET.

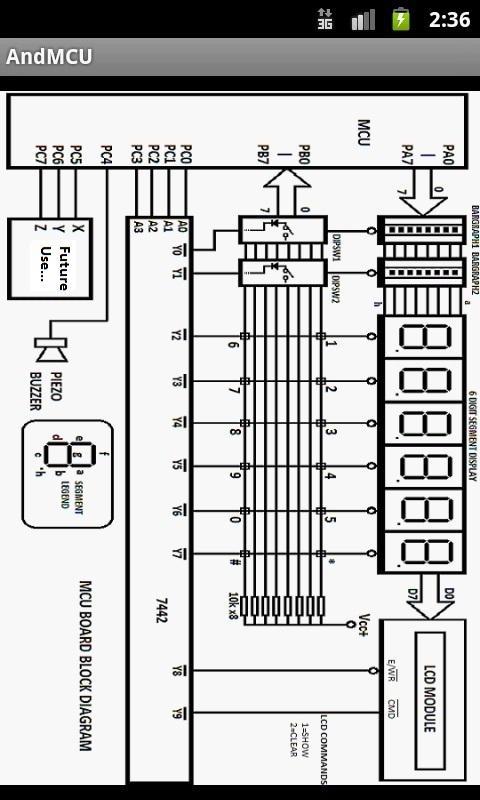
ANDMCU 보드는 다음 하드웨어 구성 요소를 시뮬레이션합니다.

1) 3 배 8 비트 양방향 포트가있는 8 비트 CPU.

2) 6 자리 디스플레이

3) 16-character LCD 디스플레이

4) 2x 8 비트 딥 스위치

5) 2x8 LED Bargraph 디스플레이

6) 12 키 키패드

7) 1 Piezo Buzzer

8) 외부, 타이머 및 소프트웨어 인터럽트

9) 1 아날로그 입력 (라이트 센서).

* 최대 1080 x 1920 (Full-HD)까지 화면 해상도에서 작동합니다.

(이것은 빠른 CPU 에뮬레이터가 아닙니다. 교육 목적으로 시뮬레이터입니다. 자세한 내용은 ANDMCU 웹 사이트의 문서를 참조하십시오.)

이것은 ANDMCU (무료)의 광고 지원 버전입니다.

이 응용 프로그램이 마음에 들면 Google Play Market에서 광고 프리 버전을 구매하여 추가 개발을 지원하십시오. Ad-Free 버전은 또한 내장 편집기를위한 Flick-Scrolling을 가능하게합니다.

인터넷 퍼미션 : ADOB (Ad Admob)에 활성화.

최신 버전 1.10의 새로운 기능

2015 년 9 월 24 일에 마지막으로 업데이트 됨 v.1.10 2013 년 6 월 5 일 : 버그 수정 : 새 파일을로드 한 후 추적 모드 및 CPU 속도를 재설정합니다.
v.1.09 2013 년 3 월 22 일 : 풀 HD 화면 해상도 (최대 1080x1920)에 적합합니다.

더 읽어보세요

시사

사용자들이 함께 본 항목

모두 보기

추천 콘텐츠

모두 보기

유사한 게임 더보기

모두 보기

더 많은 레벨 게임

모두 보기